新闻动态
KWZK乐鱼网页版在线登录自控集团
乐鱼网页版在线登录
关于我们
公司简介
在线反馈
联系我们
产品展示
全部
传感器/变送器
流量计系列
液位/料位系列
乐鱼(中国)门/执行装置
液压/气动元件
检维修工器具
化验/分析仪器
其他机电仪产品
新闻动态
全部
行业知识
企业新闻
资料下载
客户案例
新闻动态
推荐
热门
最新
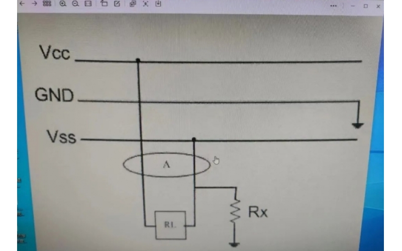
便携式直流接地故障点查找仪工作原理
便携式直流接地故障点查找仪工作原理
2023-09-28
乐鱼网页版在线登录
上一页
1
下一页
转至第
首页
产品
新闻
联系
爱游戏平台
|
多宝官网
|
半岛网页版
|
多宝官网
|
九游网页版
|
拼搏网页版
|
星空在线
|
半岛平台
|
乐投网页版登录入口
|