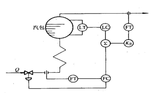
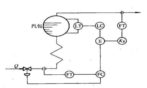
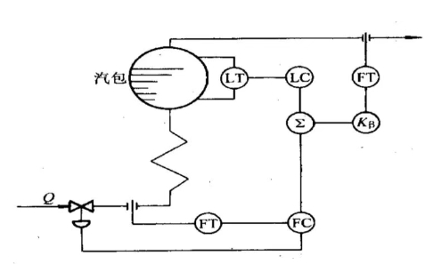
锅炉汽包液位三冲量控制系统
锅炉汽包液位三冲量控制系统

锅炉汽包液位三冲量控制系统
1. 系统组成
主被控变量:汽包液位,由液位变送器(LT)测量,经导压管将汽包内液位信号引出,送至主调节器(LC)。
副被控变量:给水流量,由流量变送器(FT2)测量,安装在给水管道的孔板处,通过导压管将差压信号转换为电信号,送至副调节器(FC)。
前馈信号:蒸汽流量,由流量变送器(FT1)测量,安装在蒸汽管道上,通过导压管将差压信号转换为电信号,送至加法器(∑)。
执行机构:给水调节乐鱼(中国),接受副调节器(FC)的输出信号,调节给水流量。
控制装置:主调节器(LC)、副调节器(FC)、加法器(∑)。
、
2. 控制原理
主回路:主调节器(LC)接收液位变送器(LT)的测量值和液位给定值,通过比较计算,输出控制信号至加法器(∑)。主回路的作用是维持汽包液位在设定值附近。
副回路:副调节器(FC)接收加法器(∑)的输出信号和流量变送器(FT2)的测量值,通过比较计算,输出控制信号至给水调节乐鱼(中国)。副回路的作用是快速稳定给水流量,提高系统的响应速度。
前馈控制:蒸汽流量变送器(FT1)测量蒸汽流量,将信号送至加法器(∑)。当蒸汽流量变化时,前馈信号提前作用于加法器,改变副调节器的设定值,从而快速调节给水流量,抵消蒸汽流量变化对液位的影响。

3. 工作过程
当蒸汽流量增加时,前馈信号使加法器输出增加,副调节器(FC)输出增加,给水调节乐鱼(中国)开度增大,给水流量增加,维持液位稳定。
当液位偏离设定值时,主调节器(LC)输出变化,通过加法器(∑)调整副调节器的设定值,进一步调节给水流量,使液位回到设定值。
给水流量的变化通过流量变送器(FT2)反馈到副调节器(FC),形成闭环控制,保证给水流量的稳定。
4. 系统特点三冲量控制:综合考虑了液位、给水流量和蒸汽流量三个变量,控制精度高,抗干扰能力强。
前馈 - 反馈控制:前馈控制用于快速响应蒸汽流量的变化,反馈控制用于消除稳态误差,使系统具有良好的动态性能和稳态精度。
串级控制:主回路和副回路构成串级结构,副回路的快速响应可以提高整个系统的控制质量。
通过这种三冲量控制系统,能够有效克服锅炉运行过程中蒸汽流量和给水流量的干扰,维持汽包液位的稳定,保障锅炉的安全、经济运行。