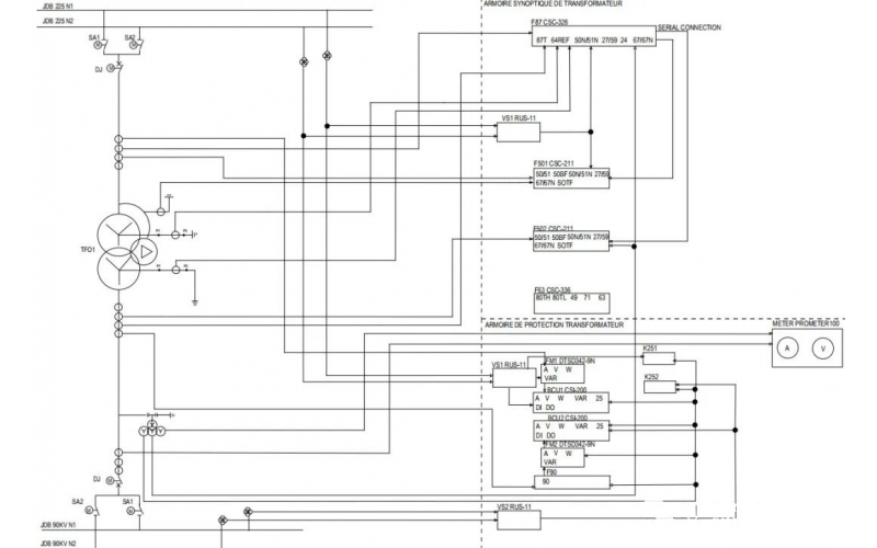
变压器间隔使用225kv母线电压与90kv母线实现检同期的研究知识
2022-04-28 乐鱼网页版在线登录电气
ABB低压变频器常见故障处理知识汇总
2022-04-04 乐鱼网页版在线登录
该设备用于测量水中精细悬浮物质(胶体颗粒),并显示FI(污垢指数)。它还监测了过滤器和反渗透设备等水处理设备的性能。样水通过过滤膜(滤纸)一段固定时间(5或15分钟),在固定时间(5或15分钟)前后,过滤膜(滤纸)收集胶体颗粒。通过精确的流量计测量进水前后流速的衰减情况来计算SDI值。
2022-03-27 乐鱼网页版在线登录