KWZK-HT系列活套扫描仪的常见故障有哪些?
2022-05-07 乐鱼网页版在线登录自控
活套扫描仪接线方法分享
矿井提升机控制系统故障处理知识分享
2022-04-28 乐鱼网页版在线登录设备
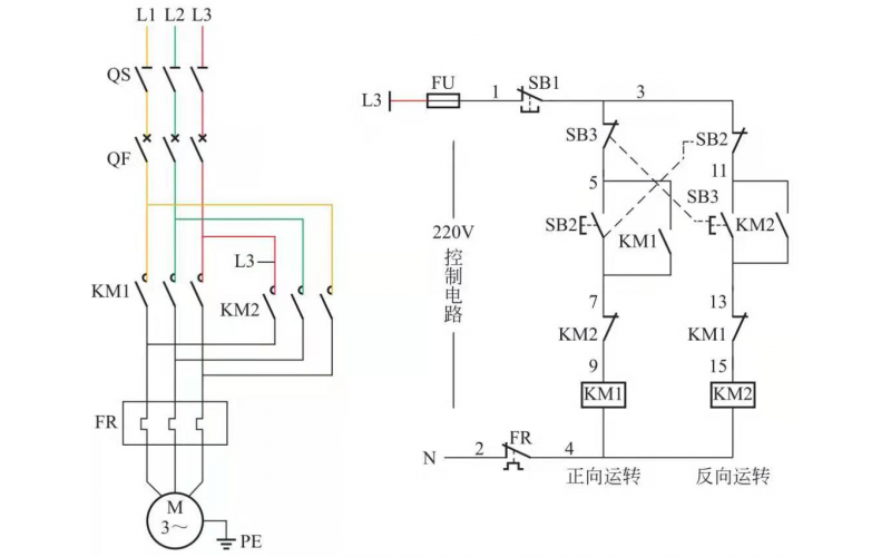
合上控制回路熔断器FU,电路具备启停条件。电动机主回路中增加了过载保护(热继电器FR)。电动机过载时,热继电器FR动作,FR的动断触点断开,接触器KM断电释放,KM的三个主触点同时断开,电动机断电停止运转。
2022-04-16 kwzk乐鱼网页版在线登录自控
为保证安全可靠、优质和经济合理的用电,做好用电设备的维护,故障处理及检修是十分重要的。着重介绍电动机和配电线路的检修与维护。
2022-04-13 乐鱼网页版在线登录
井下漏电故障的查询方法知识
2022-04-08 乐鱼网页版在线登录
矿用电缆用途及分类知识介绍
故障现象描述: 气化12层大小布袋反吹电磁乐鱼(中国)在喷吹动作时,反吹氮气压力极速下降,并在1-3秒后恢复,导致低压氮气管网压力极速降低,影响工况。
2022-04-06 乐鱼网页版在线登录