机组启动过程中励磁未建压原因分析
2023-09-06 乐鱼网页版在线登录
电力常用设备及试验(电力调压器)
2023-08-29 乐鱼网页版在线登录
变压器瓦斯继电器可别选错
2023-08-18 乐鱼网页版在线登录
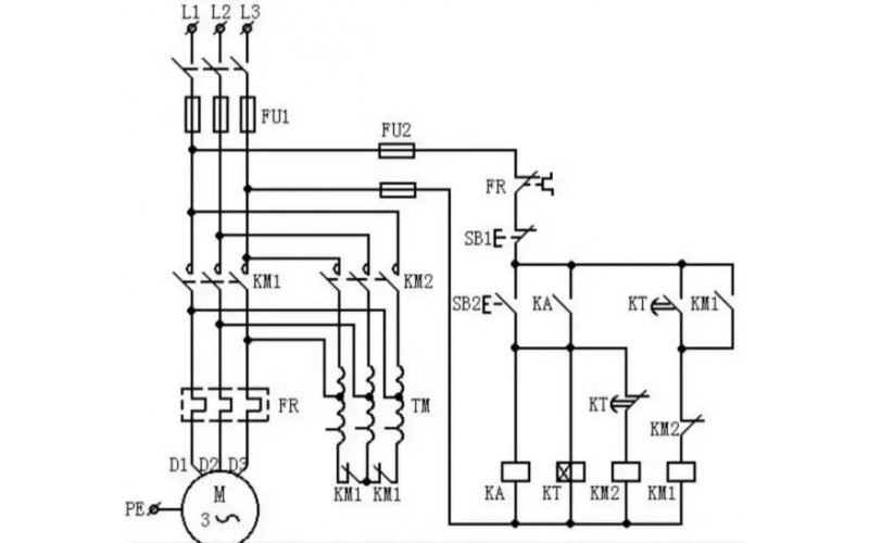
常用低压电器的安装与调试
2023-08-15 乐鱼网页版在线登录
电机的重载和轻载保护值,你还在乱设吗?是有规矩的,看完就懂了
2023-08-11 乐鱼网页版在线登录
简述误上电保护和启停机保护
2023-08-01 乐鱼网页版在线登录
非电量保护不启动失灵
2023-07-26 乐鱼网页版在线登录
主变中性点绝缘方式及倒闸操作
2023-07-25 乐鱼网页版在线登录